학문
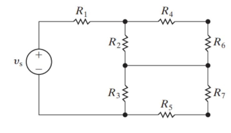
이 회로에서 미지의 전류는 몇 개인가요?
가운데를 가로지르는 전선에 전류가 흐르나요? 그렇다면 저항 번호에 맞춰서 I1, I2, I4, I7, I3, I가운데전선 이렇게 6개가 미지의 전류인가요?
55글자 더 채워주세요.
1개의 답변이 있어요!
안녕하세요. 조일현 전문가입니다.
회로 구성만으로는 8개의 미지의 전류가 있어 보입니다.
각 저항을 흐르는 전류는 각각 미지수 이므로 1-7까지 미지의 전류가 있고 가운데 가로 지르는 전선 까지
고려하면 총 8개 미지의 전류가 있습니다.

