아핫뉴스실시간 인기검색어
아핫뉴스 화산 이미지
아하

학문

토목공학

대찬꿀벌19
대찬꿀벌19

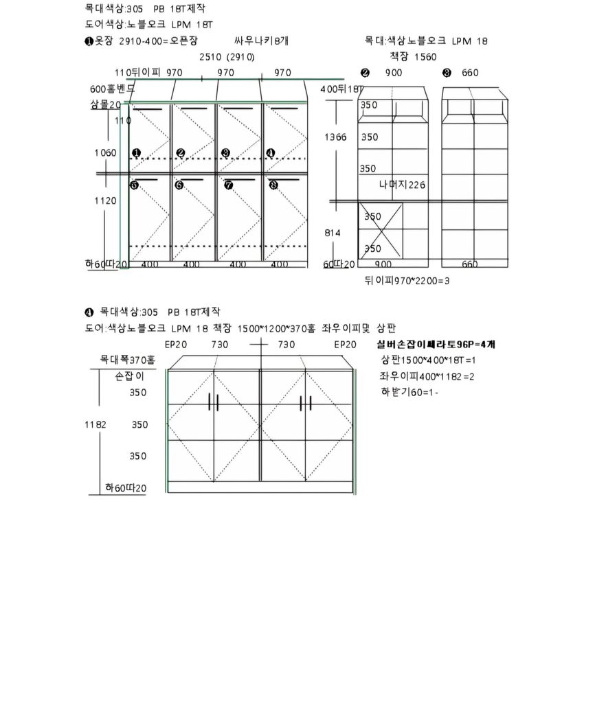
이 도면안에 내용이 무슨 뜻일까요? 용어해설 부탁드려요?

도면으로 되어있는 내용 해석하면 3D 도대체 개략적으로 어떤 모양일까요? 3개의 가구를 주문했어여. 요청한 모양이 있는데 이렇게 봐서는...모르겠습니다

1개의 답변이 있어요!
  • 안녕하세요. 임경희 전문가입니다.

    간단히 설명드리자면 치수는 mm로 표시되어 있습니다.

    옷장의경우 2단으로 4칸으로 오픈되어 있으며 하부 1m12cm, 상부 1m6cm, 각 칸마다 폭은 40cm, 깊이는 60cm 입니다.

    책장의 경우 90cm와 66cm로 6칸으로 되어 있습니다.

    4번 책장의 경우 실버손잡이가 있어 양쪽으로 열 수 있으며 폭은 73cm 두개이며 내부는 3단으로 되어 있은 책장입니다.

    도움이 되었으면 합니다.

    1명 평가