아하
  • 토픽

  • 스파링

  • 잉크

  • 미션


소탈한양

소탈한양

채택률 높음

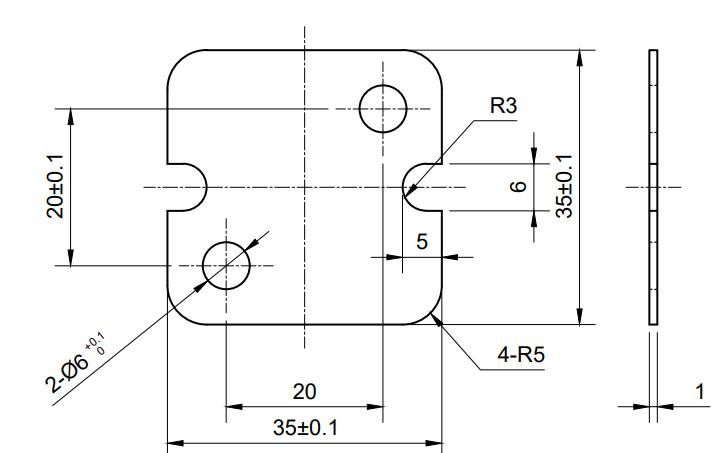
오토캐드 해당 제품도의 조립도를 그리라는 것은 단면도를 그리라는건가요?

해당 제품도의 도면에서 조립도를 그려야 하는데 구글에 검색하면 대부분 단면도를 보여주던데 단면도를 그리는 것이 맞나요????

5개의 답변이 있어요!

  • 안다람 전문가

    안다람 전문가

    팜팜프레시

    안녕하세요

    문의주신 도면의 조립도를 완성 하려면 높이만 있으면 3각법에 근거하여 부품의 형상을 완성후 다른부품과의 조립도 완성이 가능합니다

  • 보통 자격증 시험 같은 경우는 도면에 각각 번호가 있고 단면도를 그리고 각각 배치도를 그려서 프린트에서 제출 하면 됩니다. 조립도는 그리지 않습니다.

  • 이 단품의 도면만으로 조립도를 그리는것은 불가해보입니다 질문자님의 정확한내용전달하여주시면 다시 도움드리도록하겠습니다 단순 해당 형상을 그리는거면 단축키를활용하여 치수대로그리시면되겠습니다

  • 단면도가 아니라 상 하 우 이렇게 3가지 시첨에서 봤을때의 모습일것입니다. 조립도라하면 3가지면에서 일직선으로 봤을때의 모습이있어서 입체도형이 이뤄지기때문에 아마도 3가지 도형이 되어야할것입니다. 단면도는 특별한 경우 속에 특별한 구조가 있을 경우 추가로 그립니다.

  • 해당 도면은 단면도가 아닙니다. 단면도는 해당하는 제품의 단면을 보여주는 도면을 말하는데 위 사진은 제품을 가장 잘 파악할 수 있는 도면으로 보통 정면도로 배치될 것으로 예상됩니다. 해당 제품은 조립되는 부품 중 하나로 판단되며 추가되는 부품들을 다 그리게 되면 조립도가 될 것입니다.